| 
                    
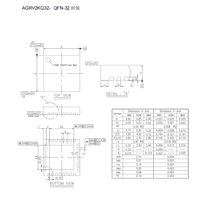
                        AGRV2KQ32AGRV2K CPLDs is the low cost CPLDs. This instant-on, non-volatile CPLD family targets general-purpose and low-density logic. The logic density is 2K Logic Elements with LQFP-100(AGRV2K100),LQFP-64(AGRV2K64) ,LQFP-48(AGRV2K48) and QFN-32(AGRV2KQ32)packages. • Low-Cost and low-power CPLD • Instant-on, non-volatile standard compatible architecture. • Up to 4 global clock lines in the global clock network that drive throughout the entire device. • Provides programmable fast propagation delay and clock-to-output times. • Provides PLL per device, clock multiplication, and phase shifting. • Supports 3.3-V logic level • Programmable slew rate, drive strength, bus-hold, programmable pull-up resistors, open-drain output, Schmitt triggers and programmable input delay. • Built-in Joint Test Action Group (JTAG) boundary-scan test (BST) circuitry complaint with IEEE Std. 1149.1-1990 • ISP circuitry compliant with IEEE Std. 1532 • 3.3-V LVCMOS and LVTTL standards AGRV2K cpld是一种低成本的cpld。这种即时启动、非易失性CPLD家族的目标是通用和低密度逻辑。逻辑密度为2K逻辑元素,包含LQFP-100(AGRV2K100),LQFP-64(AGRV2K64),LQFP-48(AGRV2K48)和QFN-32(AGRV2KQ32)封装。 • 低成本和低功耗CPLD • 即时启动,非易失性标准兼容架构。 • 全局时钟网络中多达4条全局时钟线驱动整个设备。 • 提供可编程的快速传播延迟和时钟到输出时间。 • 提供每个设备的锁相环(PLL),时钟乘法和相移。 • 支持3.3 v逻辑电平 • 可编程转换速率,驱动强度,总线保持,可编程上拉电阻,开漏输出,施密特触发器和可编程输入延迟。 • 内置JTAG 和BST,电路符合 IEEE 标准。 1149.1-1990 • ISP电路符合IEEE标准1532 • 3.3 v LVCMOS和LVTTL标准 • 工作结温范围为 -40 至 100 °C 
 
 
 
 需要获取更多的资料和支持可以联系我们 提供“芯片测样-发送资料-技术支持-批量采购” 联系方式: 姚工 13661545024(VX同号) (加的时候备注下公司名和个人名字) 在线商城:agm-micro.taobao.com 公司网站:www.agm-micro.com 资料网站: www.tcx-micro.com  | 
            
                    
                


